Speed copy gearbox

Speed Copy Calculator

Intro

Case study

The spped copy or rotary distributor is a huge, funnel-like device that receives coal from the coal mine and distributes it into three large bunkers. A motor reducer, connected to a small gear with 21 teeth, drives it. The large gear is rigidly connected to the reverse shaft and coupled with it. The large gear has 160 teeth. We should build a mechanism that will rotate (at the end of the shaft) at the same angular speed as a large, driven gear.
Parameters : Drive gear : z = 21 Driven gerar z = 160

Lights

Task

Solution

It is necessary to install an encoder that will obtain the angular speed of the large gear, i.e., the rotating rod.Due to the required angular velocity precision, I opted for a reducer with cylindrical gears.This reducer does not transmit any load but only regulates the angular velocity of the large gear.
And that's why I called it speed transfer transmiter

Problem solution

The transmission ratio is f1
where are : Z2 = 160 - the number of teeth of the large gear
Z1 = 21 - the number of teeth of the small gear

Since the upper fraction cannot be shortened, making a model of connected gears is impossible. If he used belts or sprockets, there could be slippage and, thus, an incorrect angular velocity of the large gear.

And just a little help with math ...

If we look carefully, we can see that the numbers are 160 i 21 divisible without a remainder
160 by : { 2, 4, 5, 10, 20, 40 i 80 }
21 divide by : { 7 i 3 }

It follows that the transmission ratio can be written as i :
f1
We already have a sketch of two pairs of coupled gears, it is necessary expand fractions transmission ratio so that the number of teeth is greater than the minimum. We have till now :
f2
and it is the number of teeth of the first pair of gears
for the second gear pair, the number of teeth follows f1
next step - I adopt the gear parameters

Parameters (default)
Gear Teath num modul Note
1 48 4
2 21 4
3 50 4
4 15 4
5 21 16 Inner gear

Gear 5 is input and connects to ... one of the pinion gears (it doesn't matter which one).

Kinematic scheme
Kinematic shema : gears order

Gear 5 is input and it is i.e. its parameters are a copy of the drive gear (module and number of teeth).

The gear calculation

The next logical step is the gear calculation. First, I adopted the module, taking into account the dimensions, and then the gear calculation follows. A handy free gear calculator is here, and I used it for the calculation. After the calculation of the gears, there is the calculation of the shaft, bearings, and construction of the shaft and bearing housing. I chose a splined connection on all gears.

Making gear box

After the construction and preparation of technical documentation, the entire project was handed over to the company "Elmont," which made all the elements except the formwork and the base. Here are some drawings.

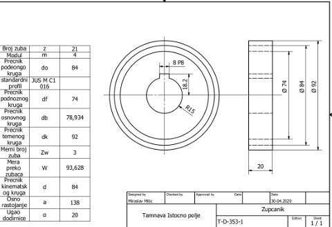
Gear1

Gear1

Gear5

Gear5

Shaft

Shaft

Housing

Housing

Side view

Side view

Frontal view

Frontal view

The side covers contain brackets with a groove for possible bracing (axial movement during installation

The side covers contain brackets with a groove for possible bracing (axial movement during installation

The green plate serves as the encoder support, the output shaft of the reducer can be seen

The green plate serves as the encoder support, the output shaft of the reducer can be seen

The final stand looks like this; you can see the semicircular slot for fixing the rear part of the reductor.

The final stand looks like this; you can see the semicircular slot for fixing the rear part of the reductor.

The stand finally looks like this, you can see the semicircular slot for fixing the rear part of the reducer

The stand finally looks like this, you can see the semicircular slot for fixing the rear part of the reducer

Here is another view of the reducer and encoder that are mounted on the stand.

Here is another view of the reducer and encoder that are mounted on the stand.

Welding the base.

Welding the base.

Another view of the mounted reducer and encoder on the stand

Another view of the mounted reducer and encoder on the stand

The welding of stand.

The welding of stand.

and finally assembly drawing

Assembly drawing

assembly draw of the speed reducer

After making and assembling all the elements it looks like this

A view from beyound

A view from beyound

The stand and framework manufacturing

The base and formwork have a role (besides carrying and protecting the elements of the reducer), adjustment of fit and gearing.
The reducer is designed as floating, i.e. it hangs under the base. Board with encoder are located on the upper side
The pictures above show the plate is a stand that is used to adjust the teeth of the input gear with the gear gearview. The adjustments are made at the plant. The central screw is used to rotate the reductor; on the back side there will be an average circular one slot for fixing the rear part of the reducer to avoid vibrations of the same.

Speed copy gear box - use mathematics